Recupero corpo ovest Villa dell’Amicizia

Ubicazione : Almenno San Bartolomeo
Committente : Comune di Almenno San Bartolomeo
Progetto preliminare, progetto definitivo, progetto esecutivo, direzione lavori
Dati dimensionali: superficie intervento mq 400
Data: 2022-2023
Fotografie : Stefano Tacchinardi


L’intervento ha riguardato la riqualificazione di un fabbricato prevalentemente inutilizzato ed in stato di avanzato degrado che fa parte di un complesso di edifici disposti intorno ad una corte interna denominato Villa della Amicizia; il corpo principale risalente al XV secolo è stato oggetto di intervento di riqualificazione negli anni 2000-2004 e destinato a biblioteca comunale. Il complesso architettonico è compreso nel nucleo di antica formazione di Ca’Righetti, che disteso lungo la dorsale di una collina si affaccia in posizione dominante sulla Valletta, area verde immersa in un suggestivo paesaggio. L’edificio oggetto di intervento è a pianta di forma rettangolare ed ubicato in posizione adiacente l’edificio principale del quale in origine ne rappresentava la parte di servizio; Il piano terra è occupato dalla sede degli Alpini mentre i piani superiori erano inutilizzati.

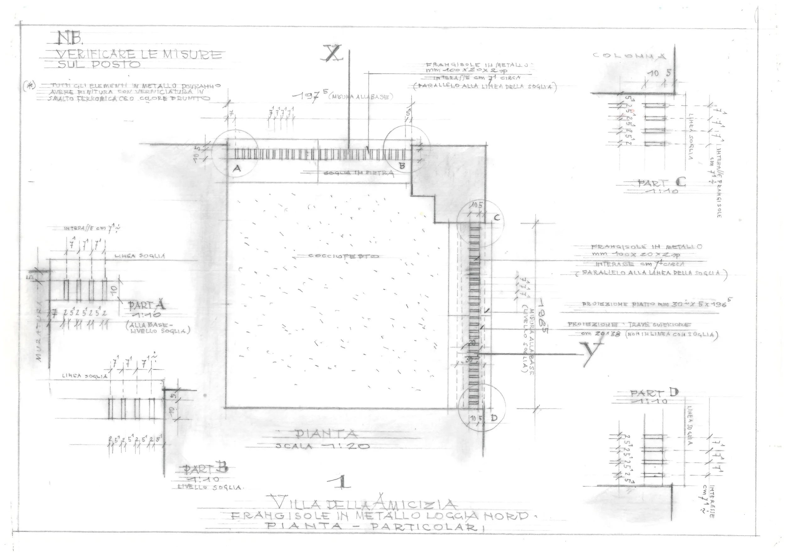
Il progetto ha previsto un recupero funzionale de piani dell’immobile inutilizzati (primo e secondo) con l’obbiettivo di consentirne un utilizzo a carattere socio culturale compatibile con le attività presenti nell’edificio adiacente (biblioteca e centro anziani) cercando di favorire una interrelazione tra gli spazi delle due parti. La realizzazione di una scala in metallo ha consentito di individuare un nuovo collegamento verticale per unire i diversi livelli tra loro; la sua posizione è stata determinata dalla necessità di salvaguardare gli spazi al piano terra che presentano soffitti voltati. I due edifici sono stati messi in collegamento tra loro attraverso la realizzazione al piano primo di una passerella coperta in metallo disposta lungo la facciata dell’edificio principale rivolta verso il cortile interno. Questo manufatto consente di mettere in comunicazione la biblioteca con lo spazio a doppia altezza posto nella zona sud dell’edificio oggetto di intervento che in precedenza era una loggia aperta su un lato ; quest’ultima attraverso la rimozione di un muro divisorio e di un solaio posticci è stata riportata alle sue dimensioni originarie e chiusa sul lato aperto da un grande infisso in metallo. La facciata dell’edificio rivolta verso la corte interna e caratterizzata da tessitura muraria in pietra locale con malta di allettamento in calce aerea di colore chiaro di buona qualità e stato di conservazione oltre che dalla presenza di piccole aperture ad arco ribassato e di una loggia ( forse in passato usata come fienile) è stata oggetto di specifiche operazioni di restauro conservativo.

Avanti
Avanti

Struttura ricettiva in complesso edilizio a tipologia rurale